余热锅炉是如何工作的?
余热锅炉的工作流程一般包括以下几个步骤:

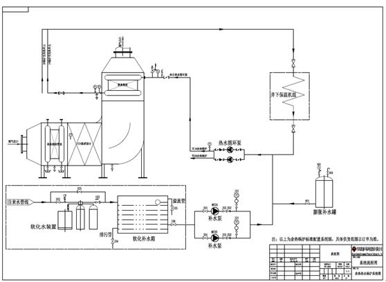
余热收集:首先对工业生产中产生的废热进行收集。这些废热可以来自各种形式,比如高温烟气、高温废水、高温油脂等。这些废热被引导到余热锅炉的余热回收系统中。

余热传递:当废热进入余热锅炉后,会经过热交换器进行热量传递。热交换器是余热锅炉的核心部件,它能够将废热的热量传递给锅炉内的工质,使其升温。

蒸汽生成:在余热锅炉内,工质(通常是水)在接收到废热的热量后,会发生相变,变成高温高压的蒸汽。这个过程被称为蒸汽生成。
如果您对余热锅炉感兴趣,请致电400-100-9636,我们将竭诚为您服务!

欢迎您来访凯能公司网站,我们将竭诚为您服务!
技术上追求精益求精,服务上追求全心全意。
只为对得起您给予我们的信任与肯定!
![]()
以上文章来源于青岛凯能环保科技股份有限公司(www.kaineng.cn)
专注节能环保20年,转载请注明出处。
下一篇:发电机组余热锅炉产品特点上一篇: 余热发电的应用前景
此文关键字:余热锅炉
产品推荐
同类文章排行
- 四步读懂内燃机烟气余热利用完整流程
- 工业窑炉余热利用效益显著,助推企业绿色低碳转型
- 废热变电能:余热锅炉发电原理揭秘
- 焦化炉烟气余热回收利用技术助力行业绿色转型
- 绿色动力核心:内燃机SCR脱硝技术的不可替代优势
- 玻璃窑炉废气余热利用:从“排烟”到“淘金”的绿色变革
- 内燃机尾气余热利用:点燃绿色低碳发展新引擎
- 凯能科技2026年春节福利盛大发放,暖意融融喜迎新春
- 矿热炉余热锅炉三大原因破解不积灰之谜
- 玻璃窑炉烟气余热利用的挑战与突破路径













鲁公网安备 37028102000404号